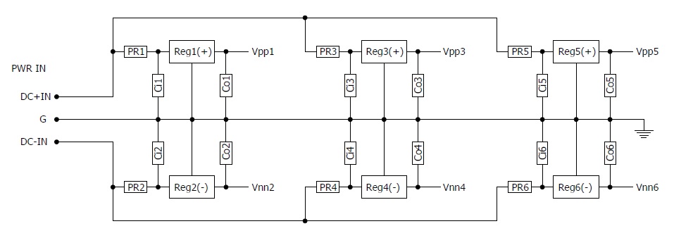
1号レギュレーター(Reg1)と2号レギュレーターは、
ディスクリート初段回路とバランス入力用オペアンプに電力を供給します。
3号と4号は前段オペアンプへ、
5号と6号は後段オペアンプへの電力供給を担当します。
PR1−6は電力抵抗器です。レギュレーション向上、クロストーク向上、電流制限などの目的で使用します。
Ci1−6はレギュレーターの入力コンデンサー、Co1−6は出力コンデンサーです。
各レギュレーターにはアリスのRegシリーズ(miniReg2、LED.Reg、LED.Reg2、opeReg、LED.Reg3)を奨励します。
一般的な三端子レギュレーター(78xx、79xx)も使用できますが、音質は落ちます。
レギュレーターの設定電圧は±15V程度が良いでしょう。
ALP−mkIIへ供給する電圧はDC20〜24V程度が良いです。
複数のALP−mkIIを使ってシステムを組む場合は、
各基板毎に独立して電源を用意したほうが音質的に良好ですが、
コストの問題もありますし、後述のようにスタックして電源を共有することも出来ます。
PWR IN には正負の直流を入力します。非安定直流でも安定化直流でもどちらでも構いません。
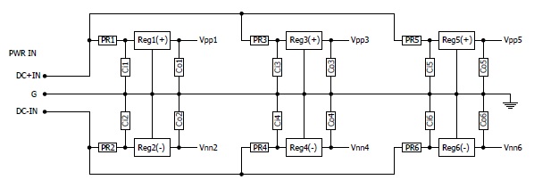
ALP−mkIIへの電源供給は基板の左右どちらからでも可能です。
また、下図の 赤、青、灰
のように絶縁被覆電線で基板上のDCラインを接続します。

これを応用すれば一つの直流電流源を複数のALP−mkIIでスタックして使うことも出来ます。
電源は各個に独立して設けた方がハイパフォーマンスですが、スタックすることで経済性が大幅に良くなるので、
状況に応じて決めましょう。

直流電流源としてはCTS−1が好適です。UBR−2を使うこともできます。
